Правила форума


Форум ВРЕМЕННО ЗАКРЫТ для новых публикаций


Начать новую тему Ответить на тему  [ Сообщений: 66 ]  На страницу 1, 2, 3, 4, 5 ... 7  След.
Автор Сообщение
 Заголовок сообщения: Кроссоверы JBL 4345
СообщениеДобавлено: 13 сен 2014, 13:41 
Не в сети
Аватара пользователя

Зарегистрирован: 18 дек 2009, 02:38
Сообщения: 140
Откуда: Москва
История такая. Пару лет назад приобрел мониторы JBL-4345.
Пожил с ними и возникла мысль поэкспериментировать с кроссоверами.
Оригинальные имеют пару недостатков:
- использование биампинга возможно только с использованием внешнего цифрового кроссовера,
- применены посредственные мексиканские пленочные конденсаторы и здоровенный галетник.
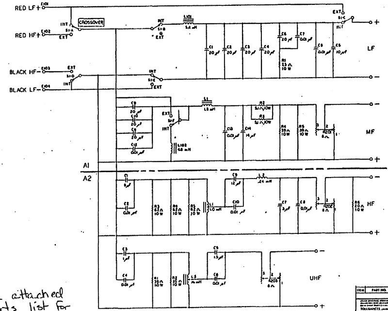
Оригинальная схема такая:
Вложение:


Собрал первую биампинговую версию, близкую к оригиналу, но без использования галетника, без автотрансформаторов и с примением приличных конденсаторов.
Схема такая:
Вложение:


Потом возникла мысль вернутся к использованию автотрансформаторов - по феньшую кошернее. Изготовил мне их Е.Комиссаров (спасибо ему!).
Схема версии два:
Вложение:



Вернуться к началу
 Профиль  
 
 Заголовок сообщения: Re: Кроссоверы JBL 4345
СообщениеДобавлено: 13 сен 2014, 13:55 
Не в сети
Аватара пользователя

Зарегистрирован: 18 дек 2009, 02:38
Сообщения: 140
Откуда: Москва
Фотографии
Оригинал:
Вложение:


Первая версия:
Вложение:


Вторая версия а автотрансформаторами:
Вложение:



Вернуться к началу
 Профиль  
 
 Заголовок сообщения: Re: Кроссоверы JBL 4345
СообщениеДобавлено: 13 сен 2014, 14:55 
Не в сети
Аватара пользователя

Зарегистрирован: 18 дек 2009, 02:38
Сообщения: 140
Откуда: Москва
Вот и выкладываю ролики для Вашей оценки. Запись на Canon SX220.
Первый. Это стерео. Слева установлен кроссовер второй версии, справа оригинал:

Второй. Играет только правая колонка с оригинальным кроссовером в режиме моно:

Ну и третий. Играет левая колонка с кроссовером версии 2 в режиме моно:

Понятно, вживую все достаточно не так, как на Ютюбе. Но различия, по моему слышны.
Как Ваше мнение?
Заранее спасибо!

ЗЫ Запись ролика с первой версией выложу позже, после перемонтажа правой колонки.
ЗЫЫ Есть еще записи на iPhone:
http://www.youtube.com/watch?v=jouDmWT- ... e=youtu.be Стерео/Ver.2+Orig
http://www.youtube.com/watch?v=QmKa8K0k ... e=youtu.be Стерео/Ver.2+Orig
http://www.youtube.com/watch?v=IVz6FYKi ... e=youtu.be Оригинал, правый
http://www.youtube.com/watch?v=-I04gP54 ... e=youtu.be Версия 2, левый


Вернуться к началу
 Профиль  
 
 Заголовок сообщения: Re: Кроссоверы JBL 4345
СообщениеДобавлено: 13 сен 2014, 19:32 
Не в сети
Аватара пользователя

Зарегистрирован: 18 дек 2009, 02:38
Сообщения: 140
Откуда: Москва
Снял справа оригинальный кроссовер и поставил первую версию, которая жила слева полгода.
Стерео, версия 2 слева + версия 1 справа:

Моно, версия 1 справа:

Eсли выскажете мнение по различиям - заранее большое спасибо!


Вернуться к началу
 Профиль  
 
 Заголовок сообщения: Re: Кроссоверы JBL 4345
СообщениеДобавлено: 14 сен 2014, 00:33 
Не в сети
Аватара пользователя

Зарегистрирован: 05 дек 2009, 13:54
Сообщения: 4002
Новый кроссовер, на мой слух, играет ровней. Оригинальный, безусловно, ярче. Там больше высоких и низких и чуть поджата середина. Это дает скорость атаки по низам, но когда вступает сакс, звук крошится пережженным печеньем. В новом варианте, изготовленном Комиссаровым, звук по диапазонам, как мне слышится, распределен ровнее. Он при первом знакомстве как бы даже кажется блекловатым, менее рельефным и породистым, но при продолжительном прослушивании, мне кажется, он предпочтительней, нежели оригинальный. В нем нет излишней экзальтированности, почти истеричности по верхам. Конечно, при этом низ малость заилен, нет в нем глубины и выпуклости оригинального звучания, но это уж кому-что. Мне со временем все ближе хорошо проработанная середина и все дальше босяковатость верхних частот.
Иными словами, если судить по ютьюбу, то автотрансформаторные кроссоверы определенно принесли пользу, Валер, твоей системе. Надеюсь, доберусь, послушаем "живьем"...


Вернуться к началу
 Профиль  
 
 Заголовок сообщения: Re: Кроссоверы JBL 4345
СообщениеДобавлено: 14 сен 2014, 11:26 
Не в сети
Аватара пользователя

Зарегистрирован: 20 янв 2010, 18:58
Сообщения: 308
Евгений писал(а):
В новом варианте, изготовленном Комиссаровым,


Изготовлен он все же Валерием. Моя роль тут скромна - идея и катушки.


Вернуться к началу
 Профиль  
 
 Заголовок сообщения: Re: Кроссоверы JBL 4345
СообщениеДобавлено: 14 сен 2014, 22:13 
Не в сети
Аватара пользователя

Зарегистрирован: 10 май 2011, 18:26
Сообщения: 633
Старый солдат на знает слов любви
Немного удивлен результатами - но вариант 1, без автотрансформаторов все же получше и оригинального и 2. Что не то в датском авто трансформаторном королевстве будет и музыки поменьше и тембр пожиже.


Вернуться к началу
 Профиль  
 
 Заголовок сообщения: Re: Кроссоверы JBL 4345
СообщениеДобавлено: 14 сен 2014, 22:55 
Не в сети

Зарегистрирован: 17 дек 2009, 20:44
Сообщения: 1680
а явот скажу, что очень резкий звук , холодный, колючий со всеми кроссоверами(хотя наверно оригинал все таки будет лучше) ,все модернизации только подчеркивают фирменные недостатки джибилевских драйверов, которые инженеры пытались заретушировать ,монотонный к тому же ,давайте сравним у себя дома ,вот ютьюб вариант записи https://www.youtube.com/watch?v=XDdya6dhisk

_________________
http://franzussr.blogspot.ru/


Вернуться к началу
 Профиль  
 
 Заголовок сообщения: Re: Кроссоверы JBL 4345
СообщениеДобавлено: 14 сен 2014, 23:37 
Не в сети
Аватара пользователя

Зарегистрирован: 18 дек 2009, 02:38
Сообщения: 140
Откуда: Москва
Вот и я в сомнениях.
Оригинальные кроссы сложил в коробочку и теперь в выборе - какой вариант воплощать для ...
В живую и у 1-го и у 2-го есть свои + и свои -.


Вернуться к началу
 Профиль  
 
 Заголовок сообщения: Re: Кроссоверы JBL 4345
СообщениеДобавлено: 14 сен 2014, 23:50 
Не в сети

Зарегистрирован: 17 дек 2009, 20:44
Сообщения: 1680
джибиэли всегда стремятся к агрессивности ,в отличии от мыльного и спокойного Альтека , не любят аудиофильные прибамбасы на мой взгляд ,японцы слушают с каким нибудь копеечным Белденом шнуром и думаю не зря

_________________
http://franzussr.blogspot.ru/


Вернуться к началу
 Профиль  
 
Показать сообщения за:  Поле сортировки  
Начать новую тему Ответить на тему  [ Сообщений: 66 ]  На страницу 1, 2, 3, 4, 5 ... 7  След.


Кто сейчас на конференции

Сейчас этот форум просматривают: нет зарегистрированных пользователей и гости: 3


Вы не можете начинать темы
Вы не можете отвечать на сообщения
Вы не можете редактировать свои сообщения
Вы не можете удалять свои сообщения
Вы не можете добавлять вложения

Найти:
Перейти:  
cron
Powered by phpBB © 2000, 2002, 2005, 2007 phpBB Group
[ Time : 0.021s | 15 Queries | GZIP : Off ]