Правила форума


Форум ВРЕМЕННО ЗАКРЫТ для новых публикаций


Начать новую тему Ответить на тему  [ Сообщений: 20 ]  На страницу Пред.  1, 2
Автор Сообщение
 Заголовок сообщения: Re: Звук авторской системы .
СообщениеДобавлено: 26 сен 2017, 14:50 
Не в сети
Аватара пользователя

Зарегистрирован: 28 дек 2009, 15:12
Сообщения: 3052
Откуда: г. Тверь
ЭВОЛЮЦИЯ аудиосистемы Юры (новотор) из славного г. Торжка .
Состоялся переход биампинговой системы с двухтактной концепции усиления на однотактную . Основные лампы теперь стали - EL156 Сименс ( НЧ - усилитель ) и EL12 spez . ""Прибоевское "" железо , переходные конденсаторы - Вестерн Электрик , медные Дженсен и Аудионот .
Драйверные лампы - 6SN7 Brimar и 6463 Telefunken

Встречаем .
https://www.youtube.com/watch?v=OwYrjLi ... e=youtu.be РР -концепция.

https://www.youtube.com/watch?v=e5umm_b ... e=youtu.be S.E. концепция .

https://www.youtube.com/watch?time_cont ... MRGaQH2raw

_________________
http://vk.com/smaudio1


Вернуться к началу
 Профиль  
 
 Заголовок сообщения: Re: Звук авторской системы .
СообщениеДобавлено: 26 сен 2017, 19:19 
Не в сети
Аватара пользователя

Зарегистрирован: 05 дек 2009, 13:54
Сообщения: 4002
На адажио SE отчетливо лучше. Просто прогресс. Совсем не всегда наши усилия имеют столь очевидные результаты. Поздравления!


Вернуться к началу
 Профиль  
 
 Заголовок сообщения: Re: Звук авторской системы .
СообщениеДобавлено: 26 сен 2017, 22:57 
Не в сети
Аватара пользователя

Зарегистрирован: 28 дек 2009, 15:12
Сообщения: 3052
Откуда: г. Тверь
Евгений писал(а):
На адажио SE отчетливо лучше. Просто прогресс. Совсем не всегда наши усилия имеют столь очевидные результаты. Поздравления!


Спасибо , Евгений.
Немного позволю прокомментировать не лукавя .
Как известно , сопоставление РР и S.E. часто имеет переменный успех и система Юрия с самого начала имела биампинг , где основной двухтакт на EL12 spez был весьма безкомпромиссен , имея два каскада -на 6SN7 и сами EL12 , связанные переходным трансформатором Танго -16 . Двойное моно , кенотронный блок питания на AZ12 , высокий микс из отборных современных комплектующих -танталовые резисторы , Блек Гейты в катодах серии FK , бумагомаслянные Боши и ROE в цепях БП. Сам Юра - по восприятию , очень чуткий , тяготяеет к серьёзной музыке и громко вваливать не любит . В этом контексте , тендор между однотактом и двухтактом в его системе был неизбежен , как в своё время было и у тов. Франца , который переслушал наверное все ламповые двухтакты в Твери в сравнении с моим однотактным референсом на 6В4G и еф14 , да силверами в переходах и чисто бумагомаслянной концепцией БП . В ходе прослушивания на Альтеках А7 выяснилось , что все абсолютно исправные двухтакты уважаемых фирм - Клагфилм , ВестернЭл. , Кводы в сравнении с однотактом на небольшой громкости звучали резко хуже, чем однотакт ( пресловутый ""первый ватт"" ) ; саундстейдж распадался , звук становился простым , серым и невыразительным ; рушился и тональный баланс . У однотакта даже на миливаттах ничего не рушилось и не распадалось .. Поэтому на какое-то время Франц стал ярым патриотом S/E/ и на радостях МНОГО ЧЕГО переслушал .
Однотактники в силу , видимо, сильно линеаризованной петли гистерезиса в выходном трансформаторе , обладают решающим преимуществом перед двухтактами и поэтому на малых мощностях они звучат феноменально живо и выразительно , сохраняя все тембры и баланс . Это хорошо слышно на скрипичных и на женском вокале , где на РР женщины всегда как прокуренные , но в S.E. папиросы у них уже отняты : вокал чист и трепетен. Наверное поэтому - такой важнейший фактор , как тональная чистота , сильная сторона однотактов , что не могли не заметить Кондо и Квортруп.
Напрашивается вопрос -где же тогда ниша ламповых двухтактов ? По мне , там , где надо слушать громко , очень громко . Это рок , вечеринки , системы экстренного оповещения... или работа на тугую (тупую) АС компрессионного типа с отдачей 86-90 дб. Понятно и то, что в самих кинотеатрах двухтакты Клангфилм или Вестрен Эл. тихо не работали никогда , так как кино смотрят , но слушают не тихо.
Тем не менее , я не противник РР -усиления . Иметь хороший двухтакт , иногда вынуть , да ввалить старого харда . Чем не жизнь после 50-ти .

_________________
http://vk.com/smaudio1


Вернуться к началу
 Профиль  
 
 Заголовок сообщения: Re: Звук авторской системы .
СообщениеДобавлено: 27 сен 2017, 19:06 
Не в сети
Аватара пользователя

Зарегистрирован: 16 сен 2014, 20:44
Сообщения: 1571
Я послушал ролики, SE заметно музыкальнее, но PP тут убедительнее гораздо.
Почему так?
Сложить как то можно в одно?
И в качестве критики или своего опыта нельзя играться с моноблоками, они разрушают целостную картинку, как не крути.


Вернуться к началу
 Профиль  
 
 Заголовок сообщения: Re: Звук авторской системы .
СообщениеДобавлено: 27 сен 2017, 19:45 
Не в сети
Аватара пользователя

Зарегистрирован: 05 дек 2009, 13:54
Сообщения: 4002
Я, Миша, тут, пожалуй, возражу. Притом прямо с твоими же аргументами, развёрнутыми на 180°.
Потому что у меня лично однотактники не прижились. По слуху, могу сказать, что однотактники играют блестяще то, что играют. Но вот играют они не все.
Думаю, здесь дело как раз в неидеальный динамиках. Когда на них подаёшь звуковую атаку с однотактника, они вдруг начинают играть. И играть прилично. Но как только однотактник подключается к качественной акустике, которая не тужится над каждым звуком, а отыгрывает все сразу и адекватно, так сразу становится понятно, что звуковая картинка SE бедновата. Многие звуки, особенно звуки второго плана там теряются без остатка. Такое чувство, что в случае плохих динамиков, эти "дыры" просто замазываются акустическим илом. А когда ила нет, дело плохо.
Так что пользую PP!


Вложения:

Вернуться к началу
 Профиль  
 
 Заголовок сообщения: Re: Звук авторской системы .
СообщениеДобавлено: 27 сен 2017, 23:13 
Не в сети
Аватара пользователя

Зарегистрирован: 18 дек 2009, 02:38
Сообщения: 140
Откуда: Москва
А я возражу!
Жил и с РР и с SE.
Михаил прав в том, что SE гораздо лучше передают музыку на негромкой подаче на полноразмерной акустике.
Ведь так и слушаем. Негромко, для себя, любимого!
А вечеринки у нас теперь нечасто! Лета не те...
ЗЫ Тут дело в чем? Хороший SE надо иметь в хозяйстве.
Желательно, на бАльших лампах.


Вернуться к началу
 Профиль  
 
 Заголовок сообщения: Re: Звук авторской системы .
СообщениеДобавлено: 27 сен 2017, 23:59 
Не в сети
Аватара пользователя

Зарегистрирован: 28 дек 2009, 15:12
Сообщения: 3052
Откуда: г. Тверь
В случае однотактов Юрия из Торжка , у него не моноблоки , а два стереоусилителя ; один усилитель - два канала усиления на EL156 на одном шасси с раздельными блоками питания на кенотронах 5U4G. Второй усилитель , задающий тонкий аудиоплан восприятия , имеет два канала усиления на EL12spez и 6463 Telefunken , с общим БП , имеющем всего два маслонаполненных конденсатора - по 47мкф , после кеноторона и после дросселя . В итоге все 4 каскада сосут энергию из одного места ... , синхронно так .. . Силовой трансформатор - лучшее от довоенного приемника Телефункен - 250вт -ый.
Когда возникает т.н. ""убедительность"" ? Термин по мне не совсем айс , но мужскому началу РР пожалуй соответствует , но часто и брутальность , неспособность передать тонкие интонации в музыке , которые , эти интонации - женское начало , имхо, S.E. вытаскивает микродинамично так и поэтому сразу возникает - ух ты, музыкальность пошла... . Не музыкальность, а скорее информативность и чем точнее передаются нюансы музыкальной информации , тем для восприимчивых к музыке людей , звук становится убедительнее...
Да , согласен с ув. Валерием . Однотакт - дитя перфекционисткого , безкомпромиссного подхода (схемотехника , детали , сами лампы ) , во многом творческого ( если заценить схемотехнику его S.E,), что исповедал и покойный Стародубцев . Можно сделать очень матёрый однотакт , который камень на камне не оставит от любого РР , касаемо музыкального , тембрального разрешения , касаемо передачи тихих звуков и послезвучий . Но к сожалению, мы имеем дело с целыми технообразованиями - аудиосистемами и вот тут и начинается самое тривиальное , когда система откровенно не тянет - ни в статусах ""партнеров"" -АС , предусилитель , кабели , комната прослушивания , источник... . ""Правда"" аудио состоит в том , что мы не можем притащить Онгаку или какой крутой однотакт и воткнуть его в слабую систему , где контактные потери в разъемах, галетниках ( привет винтажным предам ) , где всё бюджетно и музыкально ... и что этот Онгаку , как должен отыграть ? Да никак - так как с посредственными системами и случайными согласованиями в самих системах , однотакты не работают - они просто начинают имитировать звук , делая его комфортненьким таким , красивым - как накрашенная женщина... .
Серьёзные реализации однотактных усилителей есть - в В. Новгороде , в Твери , но там ( сорри ) не применяют уже Макентоши преды или Маранцы. В силу ряда причин. В серьёзной системе звук задаёт тандем : предусилитель - оконечник и если тот же МАРАНЦ 7 , имеющий и ООС и местную ОС и много чего удивительного , проектировался под ихние РР - усилители , то какой смысл такие предусилители ставить под перфекц. однотакты ? Тандема не получится , т.к. однотакт на своём немом языке скажет - кого вы мне подсунули ? Имхо.
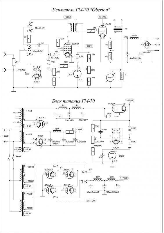
Схема однотакта покойного Стародубцева на ГМ-70 :
Вложение:


_________________
http://vk.com/smaudio1


Вернуться к началу
 Профиль  
 
 Заголовок сообщения: Re: Звук авторской системы .
СообщениеДобавлено: 04 окт 2017, 03:34 
Не в сети
Аватара пользователя

Зарегистрирован: 28 дек 2009, 15:12
Сообщения: 3052
Откуда: г. Тверь
Аудиосистема от фирмы Аудионот действительно авторская, так как имеет выверенную философию построения звука от конкретных аудиоидеологов . На вскидку , тянет не менее миллиона долларов , но и сравнение с живым звучанием инструмента .

https://www.youtube.com/watch?v=Q1K2dhYRh5E

Судя по мимике лица виолончелиста , видно , что вначале что-то ( повторение уже Аудионот ) хероватенько , но потом процесс пошёл... .Имхо.

_________________
http://vk.com/smaudio1


Вернуться к началу
 Профиль  
 
 Заголовок сообщения: Re: Звук авторской системы .
СообщениеДобавлено: 06 окт 2017, 10:31 
Не в сети
Аватара пользователя

Зарегистрирован: 16 сен 2014, 20:44
Сообщения: 1571
Михаил SM писал(а):
Аудиосистема от фирмы Аудионот действительно авторская, так как имеет выверенную философию построения звука от конкретных аудиоидеологов .

Любой бренд не может быть "авторским" поскольку специально формируют очень сильную и мощную эгрегориальную надстройку.
А это не очень хорошо, особенно для слушателя.


Вернуться к началу
 Профиль  
 
 Заголовок сообщения: Re: Звук авторской системы .
СообщениеДобавлено: 06 окт 2017, 10:34 
Не в сети
Аватара пользователя

Зарегистрирован: 16 сен 2014, 20:44
Сообщения: 1571
Для тех кто не верит, попробуйте продать лифчик, сумочку или платье за 2 тыс или выше долларов.
:lol:
Аудио магия (настоящая) форевер.


Вернуться к началу
 Профиль  
 
Показать сообщения за:  Поле сортировки  
Начать новую тему Ответить на тему  [ Сообщений: 20 ]  На страницу Пред.  1, 2


Кто сейчас на конференции

Сейчас этот форум просматривают: нет зарегистрированных пользователей и гости: 7


Вы не можете начинать темы
Вы не можете отвечать на сообщения
Вы не можете редактировать свои сообщения
Вы не можете удалять свои сообщения
Вы не можете добавлять вложения

Найти:
Перейти:  
cron
Powered by phpBB © 2000, 2002, 2005, 2007 phpBB Group
[ Time : 0.025s | 14 Queries | GZIP : Off ]