Правила форума


Форум ВРЕМЕННО ЗАКРЫТ для новых публикаций


Начать новую тему Ответить на тему  [ Сообщений: 199 ]  На страницу Пред.  1, 2, 3, 4, 5, 6, 7, 8 ... 20  След.
Автор Сообщение
 Заголовок сообщения: Re: НАШИ АУДИОСИСТЕМЫ. Вопросы и ответы.
СообщениеДобавлено: 27 май 2011, 11:56 
Не в сети
Аватара пользователя

Зарегистрирован: 28 дек 2009, 15:12
Сообщения: 3052
Откуда: г. Тверь
Просьба к Михаилу(SM)
описать доступную для повторения схему на ЕЛ156 применительно к акустике сродни ГТ.
Получится ли создать усилитель музыкальный и всеядный без применения междукаскадных трансформаторов и в более-менее демократичной комплектовке, скажем - на резисторах ВС. Возможно ли обойтись без биампинга для ГТ и отдельного предусилителя, собрав интегральный усилитель в одном корпусе.

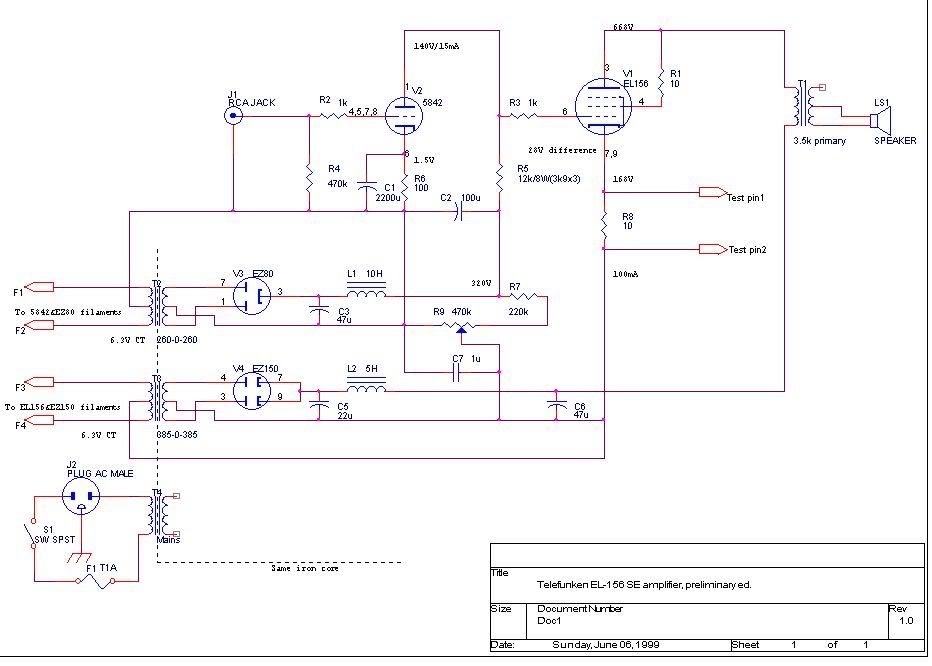
Привожу две эскизные схемы оконечных усилителей на немецких пентодах EL156 : в концепции S.E. и Р.Р. Исходим из минимального бюджета и предельной простоты и тем -не менее - простых и доступных решений. Пояснения в следующем посте.
Рекомендуемая общая концепция предполагаемой аудиосистемы -СБАЛАНСИРОВАННАЯ 3-Х КАСКАДНАЯ ,где обязательно присутствует однокаскадный предусилитель с нужной коммутацией и регулятором уровня громкости. Схему приведу позже.
Вложение:

Вложение:

Вложение:


_________________
http://vk.com/smaudio1


Вернуться к началу
 Профиль  
 
 Заголовок сообщения: Re: НАШИ АУДИОСИСТЕМЫ. Вопросы и ответы.
СообщениеДобавлено: 27 май 2011, 12:47 
Не в сети
Аватара пользователя

Зарегистрирован: 28 дек 2009, 15:12
Сообщения: 3052
Откуда: г. Тверь
Xorosho писал(а):
Михаил, а с 6L6, 6F6, 6V6, EL34 и иже с ними советуете изначально не связываться?
я не слушал EL156, но вот старые "грибочки" 6L6G в однотактах когда то на ухо лягли приятно, хотя сравнить рядом не с чем было...


Верхняя схема для S.E. в принципе универсальна и если на входе поставить регулятор громкости ,работает в короткой аудиоконцепции , что удобно в применении в аудиоконсолях. 6L6 можно включать тетродом ( 8 ватт выхода) или триодом (порядка 2,5-3-х ватт) . Напряжение анодного питания ( +380в)можно оставить тоже , но дополнительное смещение ей уже не нужно. Катодный резистор - не менее 390 ом 2ватта. Хорошо работают наши старые ВС. По оценке звучания : триодный режим хорошо работает с ШП концепцией АС ,а тетродный и ультралинейный ( с ОООС)- достойно и с современными АС . Триодный режим имеет более благопрятный спектр искажений и звучит выигрышно в басе ,но требует чувствительной акустики с ровным импедансом и достаточно широкополосного трансформатора и главное -он должен обеспечить полосу пропускания по ВЧ не более 16-18000герц. Широкополосные трансформаторы( ВЧ- 30000-80000гц) лучше работают с триодами прямого накала ,как максимально линейными и благозвучными лампами ( ко всем не относится). Пентоды и тетроды в триодном режиме значительно более провоцируют доминанту 3-й гармоники , большую вторую гармонику и звук ,в итоге, может стать излишне тёплым и одновременно резким. Об этом писал и Геген на Аудиопортале . Тем не менее , есть пентоды ,которые и в триоде выносят такие именитые колбы ,как 300В ( современного розлива) ,стоят приемлемо и ,главное, нужной эпохи - 40-6о-х. Особенно хороши именно Телефункен : EL12 , EL156 , AL5 .Интересна EL34 ; в триоде может звучать очень достойно .
Вложение:


_________________
http://vk.com/smaudio1


Вернуться к началу
 Профиль  
 
 Заголовок сообщения: Re: НАШИ АУДИОСИСТЕМЫ. Вопросы и ответы.
СообщениеДобавлено: 28 май 2011, 17:50 
Не в сети
Аватара пользователя

Зарегистрирован: 03 мар 2010, 22:02
Сообщения: 826
Mick писал(а):
мне такие нравятся :) ...Михаил флуд пресечет :?




Mick-тогда уже себе два моноблока DYNATRON LF59B покупать надо!

Зачем на крошечном Муллард зацикливаться! :)


Вложения:


Вернуться к началу
 Профиль  
 
 Заголовок сообщения: Re: НАШИ АУДИОСИСТЕМЫ. Вопросы и ответы.
СообщениеДобавлено: 29 май 2011, 19:45 
Не в сети
Аватара пользователя

Зарегистрирован: 24 май 2011, 10:34
Сообщения: 15
Спасибо за интересны схемы
Если я правильно понимаю, то по вашему опыту работы с ЕЛ156 эту лампу предпочтительней слушать в триодном режиме. Питание РР схемы обязательны кенотроны или можно обойтись ультрафастами или мощными германиевыми диодами? К сожалению со сэлфсплиттерами у меня отрицательный опыт. При переводе РР усилителя в режим сэлфа звучание ухудшалось - зажималась динамика и возрастали искажения. Но все равно, есть желание попробовать еще раз. Касательно шасси, ваши изделия собраны в разных вариантах - это и металл и дерево, в данном случае на ЕЛ156 какой вариант предпочтительней? Достаточно ли собрать на металле а трансы установить через деревянные или резиновые прокладки.
С уважением, Александр.


Вернуться к началу
 Профиль  
 
 Заголовок сообщения: Re: НАШИ АУДИОСИСТЕМЫ. Вопросы и ответы.
СообщениеДобавлено: 29 май 2011, 19:54 
Не в сети
Аватара пользователя

Зарегистрирован: 24 май 2011, 10:34
Сообщения: 15
Вас не затруднит проанализировать, что можно ожидать от такой схемы? скажем, если первой лампой будет 6SN7


Вложения:

Вернуться к началу
 Профиль  
 
 Заголовок сообщения: Re: НАШИ АУДИОСИСТЕМЫ. Вопросы и ответы.
СообщениеДобавлено: 29 май 2011, 20:14 
Не в сети
Аватара пользователя

Зарегистрирован: 28 дек 2009, 15:12
Сообщения: 3052
Откуда: г. Тверь
EL156 работает достойно в обоих режимах -и триодном и пентодном . В пентодном S.E. режиме предусмотренно и даташитом. Выходная мощность :15- 22 ватта. Требуется выходной однотакт. трансформатор с индуктивностью первичной обмотки порядка 40-50н ,что при токе 100-120ма гарантирует увесистый кусман железа ( кг 8 мин) . Другое дело,что чувствительность Голосов А7 ,к примеру , более 100дб и им за глаза хватит триодного режима EL156 с мощностью не менее 6-8ватт. Главное -это ток ,который они могут осчастливить Голоса ,а значит - плотный ,артикулированный и энергичный бас. Дополнительное смещение можно и не городить ( я вообще делал батарейное) ,но тогда выходная мощность упадёт до 4, 5ватт -по первому ограничению синусоиды ( второе - аж около 12 ватт!) . При этом , такой мощности легко хватает ,чтобы толкать ПАТРИЦИИ800 в помещении 40м2 ; в Твери - факт. Драйверная лампа к EL156 должна быть честной ,желательно нейтральной по окрасу - хорошо Телефункен 12АU7, можно и старые (50-х) 6Н8С . Предусилитель в идеале лучше оформить отдельным блоком -обычный резистивный каскад на любой достойной лампе . Р.Р. схема в идеале ,конечно, имеет смысл делать на согласующем драйверном трансформаторе ТАНГО-16 ,который хорош во всех аспектах ,стоит всего 400долл. и позволяет избавиться от конденсаторов. При желании он прекрасно работает и в S.E. версии усилителя . Лампу можно применить 6Ж4 в триоде .

_________________
http://vk.com/smaudio1


Вернуться к началу
 Профиль  
 
 Заголовок сообщения: Re: НАШИ АУДИОСИСТЕМЫ. Вопросы и ответы.
СообщениеДобавлено: 29 май 2011, 20:40 
Не в сети
Аватара пользователя

Зарегистрирован: 24 май 2011, 10:34
Сообщения: 15
Спасибо за разъяснения. В чем смысл оформлять предусилитель отдельным блоком, это обусловленно отдельным питанием преда и виброразвязкой лампы? Но ведь это "лишние" разъемы и еще один междублочный кабель.


Вернуться к началу
 Профиль  
 
 Заголовок сообщения: Re: НАШИ АУДИОСИСТЕМЫ. Вопросы и ответы.
СообщениеДобавлено: 29 май 2011, 20:52 
Не в сети
Аватара пользователя

Зарегистрирован: 10 май 2011, 18:26
Сообщения: 633
sashashev писал(а):
Спасибо за разъяснения. В чем смысл оформлять предусилитель отдельным блоком, это обусловленно отдельным питанием преда и виброразвязкой лампы? Но ведь это "лишние" разъемы и еще один междублочный кабель.

Честно говоря в классной технике плюсы разделения на предусилитель и усилитель мощности всегда, или почти всегда, превышают возможные минусы. Тем более ,что лишний кабель это не всегда хуже.


Вернуться к началу
 Профиль  
 
 Заголовок сообщения: Re: НАШИ АУДИОСИСТЕМЫ. Вопросы и ответы.
СообщениеДобавлено: 29 май 2011, 21:09 
Не в сети
Аватара пользователя

Зарегистрирован: 24 май 2011, 10:34
Сообщения: 15
Мне думается, что междублочный кабель хорош прежде всего тем, что ег подбором можно построить звучание системы. Как бы такой аудиофильный темброблок. Это неизбежное условие для покупной аппаратуры. В случае авторских изделий, Михаил может настраивать систему гармонизируя элементную базу внутри самого усилителя, например применяя антизвонновые резисторы.


Вернуться к началу
 Профиль  
 
 Заголовок сообщения: Re: НАШИ АУДИОСИСТЕМЫ. Вопросы и ответы.
СообщениеДобавлено: 29 май 2011, 21:16 
Не в сети
Аватара пользователя

Зарегистрирован: 28 дек 2009, 15:12
Сообщения: 3052
Откуда: г. Тверь
amd писал(а):
sashashev писал(а):
Спасибо за разъяснения. В чем смысл оформлять предусилитель отдельным блоком, это обусловленно отдельным питанием преда и виброразвязкой лампы? Но ведь это "лишние" разъемы и еще один междублочный кабель.

Честно говоря в классной технике плюсы разделения на предусилитель и усилитель мощности всегда, или почти всегда, превышают возможные минусы. Тем более ,что лишний кабель это не всегда хуже.
Я согласен с мнением amd насчёт важности применения отдельного предусилителя ,что входит в концепцию сбалансированного аудио . Почему сбалансированного? Просто предусилитель (имхо) -центральное место любой приличной аудиосистемы и его статус крайне важен. Идеально - предусилитель лучше иметь трансформаторный . Только трансформатор обеспечивает идеальное согласование по НЧ ,плавно заваливая ачх на самом низе ,что многим концепциям АС - хорошо. Я предпочитаю выходные трансформаторы 1 :1 или 5:1 , или ,если амбициозные системы : от 20 :1 до 33 :1 . Последний вариант -любимая тема в предусилителях Аудионот высшей иерархии. Межблочник у меня впаян одним концом к выходному трансу предусилителя ,а второй -по назначению. Я предпочитаю простую схемотехнику оконечных усилителей ,не зависящую от разброса и временного дрейфа параметров ламп . Поэтому в моём списке приоритетов ,схема Уайта -не в первых рядах .

_________________
http://vk.com/smaudio1


Вернуться к началу
 Профиль  
 
Показать сообщения за:  Поле сортировки  
Начать новую тему Ответить на тему  [ Сообщений: 199 ]  На страницу Пред.  1, 2, 3, 4, 5, 6, 7, 8 ... 20  След.


Кто сейчас на конференции

Сейчас этот форум просматривают: нет зарегистрированных пользователей и гости: 5


Вы не можете начинать темы
Вы не можете отвечать на сообщения
Вы не можете редактировать свои сообщения
Вы не можете удалять свои сообщения
Вы не можете добавлять вложения

Найти:
Перейти:  
cron
Powered by phpBB © 2000, 2002, 2005, 2007 phpBB Group
[ Time : 0.022s | 14 Queries | GZIP : Off ]