Правила форума


Форум ВРЕМЕННО ЗАКРЫТ для новых публикаций


Начать новую тему Ответить на тему  [ Сообщений: 268 ]  На страницу Пред.  1, 2, 3, 4, 5, 6, 7, 8 ... 27  След.
Автор Сообщение
 Заголовок сообщения: Re: Китайский High End .
СообщениеДобавлено: 08 мар 2016, 15:01 
Не в сети
Аватара пользователя

Зарегистрирован: 07 мар 2016, 13:25
Сообщения: 76
Hi-End усилитель -как его делают и сколько он стоит - http://grimmi.ru/hi%20end%20amplifier.html

Китайский HI-END Cayin CDT-23 Апгрейд? - http://audioes.ru/viewtopic.php?f=66&t=2114


Вернуться к началу
 Профиль  
 
 Заголовок сообщения: Re: Китайский High End .
СообщениеДобавлено: 08 мар 2016, 17:43 
Не в сети
Аватара пользователя

Зарегистрирован: 28 дек 2009, 15:12
Сообщения: 3052
Откуда: г. Тверь
Ivan писал(а):
Hi-End усилитель -как его делают и сколько он стоит - http://grimmi.ru/hi%20end%20amplifier.html

Китайский HI-END Cayin CDT-23 Апгрейд? - http://audioes.ru/viewtopic.php?f=66&t=2114


По Cayin CDT-23 понятно, юзерский апгрейд . Но и то - небо и земля , мужики в восторге .

_________________
http://vk.com/smaudio1


Вернуться к началу
 Профиль  
 
 Заголовок сообщения: Re: Китайский High End .
СообщениеДобавлено: 08 мар 2016, 22:33 
Не в сети
Аватара пользователя

Зарегистрирован: 07 мар 2016, 13:25
Сообщения: 76
Михаил SM писал(а):
Ivan писал(а):
Hi-End усилитель -как его делают и сколько он стоит - http://grimmi.ru/hi%20end%20amplifier.html

Китайский HI-END Cayin CDT-23 Апгрейд? - http://audioes.ru/viewtopic.php?f=66&t=2114


По Cayin CDT-23 понятно, юзерский апгрейд . Но и то - небо и земля , мужики в восторге .

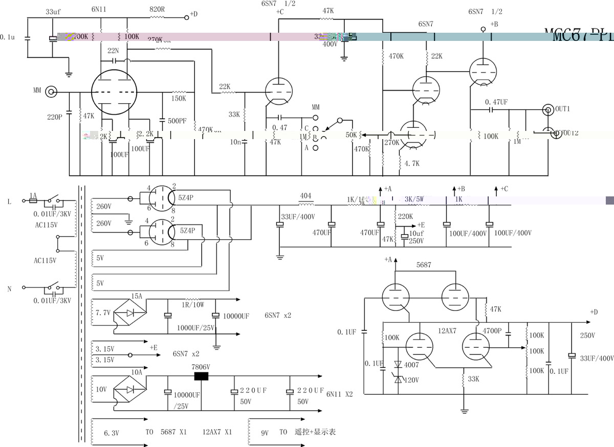
Вот еще один китайский пред , оцените его схему Михаил .


Вложения:



Вернуться к началу
 Профиль  
 
 Заголовок сообщения: Re: Китайский High End .
СообщениеДобавлено: 08 мар 2016, 23:48 
Не в сети
Аватара пользователя

Зарегистрирован: 05 июн 2010, 16:37
Сообщения: 192
Михаил SM писал(а):
Насчёт железа в выводах -я этот вопрос изучил на практике , меняя выводы на силвер, медь и железные от Телефункен на конденсаторах и резисторах . Звук меняется разительно , а современное железо ставить в переход звука - ну кому флаг, кому ветер - как бороться со специфической "металлической" окраской я не знаю , да и желания особого нет .
Единственный положительный опыт -это МЮФ поставил мягкую железную проволку в перегон к твиттерам системы и получил более акцентированное, реалистичное звучание в ВЧ диапазоне. Сейчас этот момент уточняется.

Именно. Уточняется. Прочитав у EF о его экспериментах с магнетиками - дай, думаю, слухану... Провод, который идет к группе твиттеров, удлинил метровым отрезком мягкой стальной проволоки (вязальная оцинкованная проволока 0.5 мм). Понравилось. Пока слушаю так. По результатам отпишусь.


Вернуться к началу
 Профиль  
 
 Заголовок сообщения: Re: Китайский High End .
СообщениеДобавлено: 09 мар 2016, 00:24 
Не в сети
Аватара пользователя

Зарегистрирован: 28 дек 2009, 15:12
Сообщения: 3052
Откуда: г. Тверь
Ivan писал(а):
Михаил SM писал(а):
Ivan писал(а):
Hi-End усилитель -как его делают и сколько он стоит - http://grimmi.ru/hi%20end%20amplifier.html

Китайский HI-END Cayin CDT-23 Апгрейд? - http://audioes.ru/viewtopic.php?f=66&t=2114


По Cayin CDT-23 понятно, юзерский апгрейд . Но и то - небо и земля , мужики в восторге .

Вот еще один китайский пред , оцените его схему Михаил .


Иван , вы, похоже, ценитель дизайна , но не совсем , возможно, имеете опыт , касаемо перспектив использования таких дивайсов. Проблема в том , что я не знаю ни одного человека из моих знакомых, кто создал бы оригинальную систему из китайских аудиокомпонентов и был бы полностью удовлетворён результатом. Думаю, многие начинают с китайского аудио или самопального даже российского ширпотреба , но эволюционно , если до этого не сдуются , приходят к винтажному аудио , европейскому аудио и особо пытливые -к эксклюзивному авторскому аудио , которое в состоянии явить действительно музыкальный продукт , касаемо динамиков , усилителей , кабелей , АС .

По схеме ясно , что имеем дело с практически мёртвой схемотехникой , которая имея катодные повторители при ширпотребном наборе детального ряда , не сможет раскрыть ни музыкального содержания музыки , ни тембрального. Катодный повторитель , конечно не киллер музыкальности , но он её усредняяет , делая музыку менее индивидуальной , но более комфортной. Эти катодные повторители есть и в винтажных предусилителях , типа Маранц7 и у Кондо , но там хоть приняты меры по нейтрализации неминуемой 100% ОС катодного повторителя . В Маранц 7 , к примеру , ОППВ питание , в предусилителях Кондо - мегадетали . В этом же предусилителе, если произвести обзор "достоинств" , волосы дыбом встанут , кто в теме .

Нормальные предусилители всегда должны иметь два простых начала .
Это простая и без ООС схемотехника .
И второе - экстремально возможно качественная элементная база. В противном случае , по звуку будет полнейшая профанация .
Примеры предусилителей - простых и относительно понятных по цене.
viewtopic.php?f=9&t=578&start=130
На примере не последнего , к слову, предусилителя от SANAUDIO , тоже можно сделать определенные выводы.
viewtopic.php?f=9&t=1399
Белые выходные полипропиленовые конденсаторы Audio - Cap Peferenc на выходе тоже пришлось заменить на медные Дженсен ( типа как в оконечнике выше ) . Весь пропилен - для звука -мусор.

_________________
http://vk.com/smaudio1


Вернуться к началу
 Профиль  
 
 Заголовок сообщения: Re: Китайский High End .
СообщениеДобавлено: 09 мар 2016, 11:25 
Не в сети
Аватара пользователя

Зарегистрирован: 28 дек 2009, 15:12
Сообщения: 3052
Откуда: г. Тверь
Бальзам на душу Франца :) в контексте всего китайского .

http://daniilk.livejournal.com/80211.html?thread=225619

Поэтому настоящее авторское аудио должно быть недосягаемым или не уступающим для любого уровня т.н. хаенда и при этом стоить приемлемых денег . В этом его смысл.

_________________
http://vk.com/smaudio1


Вернуться к началу
 Профиль  
 
 Заголовок сообщения: Re: Китайский High End .
СообщениеДобавлено: 09 мар 2016, 16:21 
Не в сети
Аватара пользователя

Зарегистрирован: 07 мар 2016, 13:25
Сообщения: 76
Михаил SM писал(а):
Бальзам на душу Франца :) в контексте всего китайского .

http://daniilk.livejournal.com/80211.html?thread=225619

Поэтому настоящее авторское аудио должно быть недосягаемым или не уступающим для любого уровня т.н. хаенда и при этом стоить приемлемых денег . В этом его смысл.

Михаил, правда производство тапочек и аудио аппаратуры немного отличается друг от друга ... :lol:
http://audiokarma.org/forums/index.php? ... na.239652/
http://www.dagogo.com/shengya-cs-6-tube ... cks-review
Михаил, я нашел ваши восторженные отзывы о китайском аппарате Vincent - http://soundex.ru/?app=forums&module=fo ... s&id=37568 . А здесь вы противоречите самому себе и называете китайскую аппаратуру (в т.ч тот самый Vincent) хламом и собираетесь написать книгу - "Как с этим жить , чтобы потом не застрелицца .. " . При том, что вы делали апгрейд многим усилителям Vincent (этих Винсентов я апгрейдировал ху.... у тучу ) зная, что из мертвого аппарата ничего не вытянуть , но вытягивая зато у владельцев этих аппаратов определенное кол-во денег на винтажные запчасти и за вашу работу ... Получается, что в 2013 году вам нравилось звучание китайской аппаратуры, а сейчас нет ....и человеку купившему китайский усилитель нужно было бы посоветовать его не апгредить, а продать в стоковом виде и на эти деньги заказать у вас авторский усилитель .


Вернуться к началу
 Профиль  
 
 Заголовок сообщения: Re: Китайский High End .
СообщениеДобавлено: 09 мар 2016, 18:24 
Не в сети
Аватара пользователя

Зарегистрирован: 28 дек 2009, 15:12
Сообщения: 3052
Откуда: г. Тверь
Ivan писал(а):
Михаил, правда производство тапочек и аудио аппаратуры немного отличается друг от друга ... :lol:
http://audiokarma.org/forums/index.php? ... na.239652/
http://www.dagogo.com/shengya-cs-6-tube ... cks-review
Михаил, я нашел ваши восторженные отзывы о китайском аппарате Vincent - http://soundex.ru/?app=forums&module=fo ... s&id=37568 . А здесь вы противоречите самому себе и называете китайскую аппаратуру (в т.ч тот самый Vincent) хламом и собираетесь написать книгу - "Как с этим жить , чтобы потом не застрелицца .. " . При том, что вы делали апгрейд многим усилителям Vincent (этих Винсентов я апгрейдировал ху.... у тучу ) зная, что из мертвого аппарата ничего не вытянуть , но вытягивая зато у владельцев этих аппаратов определенное кол-во денег на винтажные запчасти и за вашу работу ... Получается, что в 2013 году вам нравилось звучание китайской аппаратуры, а сейчас нет ....и человеку купившему китайский усилитель нужно было бы посоветовать его не апгредить, а продать в стоковом виде и на эти деньги заказать у вас авторский усилитель .


Мне оно ( китайское звучание их поделок) никогда не нравилось -ни в 2013 году , ни сейчас, ни раньше -ничего не изменилось. Просто есть более менее продвинутые фирмы , типа Винсента, где разработчики , к слову, не китайцы , а немцы , да и по стилю монтажа -Винсент мало что имеет общего с китайскими дивайсами .
Поэтому , цитируя самого себя :) , повторюсь :
" Что касается Vincent SV- 236 mk , то первозданное его состояние в прослушке на моём контрольном референсном тракте , показало , что он способен на многое и проблемы в нём были чисто тактические -типа простеньких сигнальных проводков , обедняющих тембры , но при цене чуть более 50.000р важно то , что он имеет колоссальный задел и я это понял , когда сменил всю разводку на дорогую элитарную , поставил престижные 12АХ7 Телефункен -вместо югославских , заменил выходные зажимы , сетевое гнездо .
Простота в звуке ушла и появилось мощное благородство звука , которые могут выдавать ТОЛЬКО ГИБРИДНИКИ...."

К сведению , сзади Винсентов нет made in China .

И почему я вынужден делать за Винсент их работу , вопрос ? :?

_________________
http://vk.com/smaudio1


Вернуться к началу
 Профиль  
 
 Заголовок сообщения: Re: Китайский High End .
СообщениеДобавлено: 09 мар 2016, 18:39 
Не в сети
Аватара пользователя

Зарегистрирован: 28 дек 2009, 15:12
Сообщения: 3052
Откуда: г. Тверь
Хорошая статья для аналитиков : http://daily.afisha.ru/eating/199-mozhn ... rambler.ru

, где есть хорошая рекомендация эксперта :

Махлина: Другая важная деталь — найти фермера или продавца на рынке, к которому ты пойдешь за натуральными продуктами.

Ильин: Да, покупка еды всегда личные отношения. Откройте книжку Джейми Оливера или Гордона Рамзи, и на пятой странице там будет сказано: «Заведите знакомство с фишмонгером, у вас будет нормальная рыба». С этого начинаются инструкции по готовке.

_________________
http://vk.com/smaudio1


Вернуться к началу
 Профиль  
 
 Заголовок сообщения: Re: Китайский High End .
СообщениеДобавлено: 09 мар 2016, 19:17 
Не в сети
Аватара пользователя

Зарегистрирован: 07 мар 2016, 13:25
Сообщения: 76
Михаил, а китайский аналог Vincent SV- 236 mk доводилось вам апгрейдировать ? Отличается ли он по качеству от того, что продают под маркой Vincent в Европе ? Так как разница в стоимости между ними в 2 раза ... :cry:


Вернуться к началу
 Профиль  
 
Показать сообщения за:  Поле сортировки  
Начать новую тему Ответить на тему  [ Сообщений: 268 ]  На страницу Пред.  1, 2, 3, 4, 5, 6, 7, 8 ... 27  След.


Кто сейчас на конференции

Сейчас этот форум просматривают: нет зарегистрированных пользователей и гости: 9


Вы не можете начинать темы
Вы не можете отвечать на сообщения
Вы не можете редактировать свои сообщения
Вы не можете удалять свои сообщения
Вы не можете добавлять вложения

Найти:
Перейти:  
cron
Powered by phpBB © 2000, 2002, 2005, 2007 phpBB Group
[ Time : 0.025s | 13 Queries | GZIP : Off ]