Правила форума


Форум ВРЕМЕННО ЗАКРЫТ для новых публикаций


Начать новую тему Ответить на тему  [ Сообщений: 86 ]  На страницу Пред.  1 ... 5, 6, 7, 8, 9  След.
Автор Сообщение
 Заголовок сообщения: Re: Тест. Входной пентод EF36 EF37A CV358 OM5
СообщениеДобавлено: 29 мар 2016, 21:30 
Не в сети
Аватара пользователя

Зарегистрирован: 04 дек 2009, 20:50
Сообщения: 6749
Но Аббас то вроде не пионер в усилителестроении, как он объясняет такие параметры своего катодника?


Вернуться к началу
 Профиль  
 
 Заголовок сообщения: Re: Тест. Входной пентод EF36 EF37A CV358 OM5
СообщениеДобавлено: 30 мар 2016, 22:58 
Не в сети
Аватара пользователя

Зарегистрирован: 29 фев 2016, 19:15
Сообщения: 22
Дык он эту пару и продал.... А хвалил в катод он Розентали. Теперь я к брендам стал осторожнее, а то позарился на 60хх годов Аэровоксы 68мкфх250в. Все номерами патентов расписаны, параметры никакие, а звук вообще "ежик в тумане". Конденсаторы в эксплуатации не были, может поэтому и "химически протухли", а заплатил не мало.


Вернуться к началу
 Профиль  
 
 Заголовок сообщения: Re: Тест. Входной пентод EF36 EF37A CV358 OM5
СообщениеДобавлено: 04 апр 2016, 11:38 
Не в сети
Аватара пользователя

Зарегистрирован: 04 дек 2009, 20:50
Сообщения: 6749
ramviks писал(а):
Сергей Ef писал(а):
9 марта 2016 г., в 18:02, Виктор Николаев написал(а):

Сергей здравствуйте! Сегодня наконец получил 6Г7 50 года. Сомневался, думал зря купил. Включил и обалдел. С усилением проблем нет, ЦАП позволяет выставлять до 4х вольт. Сцена как у Вас, вглубь не уехала. Звук очень чистый, глубокий, рельефный. Голос прописывается бесподобно. Особенно радует чистейшее, без намека на сипилявость "С". Как Вы пишите "хочется слушать". А судьба EF-37, увы печальна. Так, что спасибо за подсказку на счет 6Г7 !!! С уважением, Виктор.

Это я писал Сергею. Есть продолжение. Для чистоты эксперимента, включил ЕФ-37 триодом, не то! 6Г7 все равно лучше, живее, рельефнее, натуральнее. Вроде все ясно, но не давали покоя аноды диодов, что с ними делать? Если ничего не делать, то один подключен к цепи питания второй сетки, второй анод сидит на катоде. Нехорошо как то. Поспрашал гуру с ламповых сайтов, говорят:" на катод, пусть в воздухе болтаются, на землю." Посадил оба анода на катод, явно хуже, как то смазано, мутновато, короче чувствуется, что то не то. Подвесил в воздухе, все нормально, картинка сфокусировалась. Но ведь " болтаться в воздухе" тоже не верно. И последний совет на землю, вот ОНО, четкая локализация, очень натуральная, живая картинка, заметно лучше, чем "в воздухе". Еще раз убедился, что в клоне WE-91, 6Г7 явно лучше ЕФ-37. Хотя до этого эксперимента, думал, что 37я это здесь потолок, все очень нравилось
p.s. Когда только воткнул 6Г7 и пару дней послушал, (еще до того как озаботился анодами диодов) для сравнения вернул ЕФ-37, проверить не "вау эффект" ли был? Через пять минут вернул 6Г7...


Аноды неиспользуемых диодов - решение от Philips


Вложения:

Вернуться к началу
 Профиль  
 
 Заголовок сообщения: Re: Тест. Входной пентод EF36 EF37A CV358 OM5
СообщениеДобавлено: 06 апр 2016, 23:06 
Не в сети
Аватара пользователя

Зарегистрирован: 29 фев 2016, 19:15
Сообщения: 22
Попробовал стеклянные 6Q7G Brimar. По сравнению с 6Г7 и 6Q7MG, заметно деликатнее, ровнее, комфортнее. лЯминиевая 6Q7MG, драйвовее и приятно выдвинута середина, но она выдвинута. Пока оставил Бримар, уж очень "обволакивает".


Вложения:

Вернуться к началу
 Профиль  
 
 Заголовок сообщения: Re: Тест. Входной пентод EF36 EF37A CV358 OM5
СообщениеДобавлено: 09 апр 2016, 16:46 
Не в сети
Аватара пользователя

Зарегистрирован: 29 фев 2016, 19:15
Сообщения: 22
Не мог не попробовать опыт Сергея, по ампутации катодной цепочки. Понравилось. Чище, воздушнее, натуральнее, лучше прописываются инструменты. Но... анодный ток гуляет как хочет. Померил, на аноде 160 вольт, через 10минут уже 150! При том, что с цепочкой 1,6ком/220мкф. было 180 вольт, анодный ток был как раз равен номинальному паспортному. Напр сети в норме 220в. А цены в Англии на 6Q7GT, не маленькие... Короче, вернул автосмещение. Жалко конечно, но не нужно смотреть не "зарумянился" ли анод у драйвера.


Вложения:

Вернуться к началу
 Профиль  
 
 Заголовок сообщения: Re: Тест. Входной пентод EF36 EF37A CV358 OM5
СообщениеДобавлено: 09 апр 2016, 20:25 
Не в сети
Аватара пользователя

Зарегистрирован: 04 дек 2009, 20:50
Сообщения: 6749
Сергей Ef писал(а):
И про выбор оптимального анодного тока лампы.
Очередной раз приведу свой пример со струной музыкального инструмента.
Не дотянешь - вялый, тихий звук и дребезжит при сильном щипке.
Перетянешь - зажатый звук с узким спектром и сил надо больше отдать в щипок. И тоже тише по итогу.
Совсем перетянешь - порвёшь струну.
Надо методику разработать настройки режима лампы по амплитуде отклика на трёх частотах.

Триод 6г7 . Начал с 0,5 мА . Довёл до 3 мА при максимальном по паспорту в 1 мА.
Пока оставил 1,5 мА при минус 1,1 на входе.


В таком режиме лампы работали почти ежедневно два года подряд.


Вернуться к началу
 Профиль  
 
 Заголовок сообщения: Re: Тест. Входной пентод EF36 EF37A CV358 OM5
СообщениеДобавлено: 09 апр 2016, 20:43 
Не в сети
Аватара пользователя

Зарегистрирован: 29 фев 2016, 19:15
Сообщения: 22
Так то оно так. Только этот ток плывет без авто или фикс. смещения. И плывет в большую сторону. Величина этого тока, только остается за анодным резистором, токами утечки конденсатора идущего на сетку и межэлектродными утечками, которые наверняка плавают. Даже при смене бум/масл конденсатора на пленку, наверняка потенциал на сетке уедет, из за разницы в токах утечки.
Но звук, как уже говорил, понравился. И вернув автосмещение озаботился изменениями, которые напрашиваются после прослушивания варианта с катодом на земле.


Вернуться к началу
 Профиль  
 
 Заголовок сообщения: Re: Тест. Входной пентод EF36 EF37A CV358 OM5
СообщениеДобавлено: 09 апр 2016, 20:52 
Не в сети
Аватара пользователя

Зарегистрирован: 04 дек 2009, 20:50
Сообщения: 6749
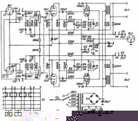
Пример серийного усилителя
Ламповый стерео усилитель на лампах ECL 82

Stereo-Nachrüstverstärker S81, Telefunken Deutschland (TFK)

1958 год


Вложения:

Вернуться к началу
 Профиль  
 
 Заголовок сообщения: Re: Тест. Входной пентод EF36 EF37A CV358 OM5
СообщениеДобавлено: 09 апр 2016, 21:18 
Не в сети
Аватара пользователя

Зарегистрирован: 29 фев 2016, 19:15
Сообщения: 22
Воот 10 мегом и не дают токам утечки плавать. Их только еще найти нужно хорошего качества.


Вернуться к началу
 Профиль  
 
 Заголовок сообщения: Re: Тест. Входной пентод EF36 EF37A CV358 OM5
СообщениеДобавлено: 25 апр 2016, 11:34 
Не в сети
Аватара пользователя

Зарегистрирован: 29 фев 2016, 19:15
Сообщения: 22
Повторил сделанный Сергеем, ямамотовский вариант питания драйвера до дросселя :"Питание входной лампы беру через резистор до дросселя - есть фон, но играет волшебно. Если беру после дросселя , то фона нет. Но играет как обычный .Типа Аудио Нот Мейшу или Конкверор." Ощущения те же. Разница очень заметна. Фона нет абсолютно, т.к. добавил RC фильтр 3ком/6,8мкф. А казалось бы вроде мелочь, до или после...


Вернуться к началу
 Профиль  
 
Показать сообщения за:  Поле сортировки  
Начать новую тему Ответить на тему  [ Сообщений: 86 ]  На страницу Пред.  1 ... 5, 6, 7, 8, 9  След.


Кто сейчас на конференции

Сейчас этот форум просматривают: нет зарегистрированных пользователей и гости: 2


Вы не можете начинать темы
Вы не можете отвечать на сообщения
Вы не можете редактировать свои сообщения
Вы не можете удалять свои сообщения
Вы не можете добавлять вложения

Найти:
Перейти:  
cron
Powered by phpBB © 2000, 2002, 2005, 2007 phpBB Group
[ Time : 0.025s | 13 Queries | GZIP : Off ]